This engine is designed and manufactured based on high efficiency and durability of the first AAC method in the world. AAC: Aluminum Piston, Aluminum Cylinder - Hardchrome Plated. SAITO FA-62B engines have been designed placting emphasis on the lightweight and compact.
Features:
Features:
- Cylinder: By the monolithic structure of cylinder head and cylinder with direct hard chrome plated inner surface without using cylinder liner, this engine emphasizes durability while it also offers lightweight and distortion-free structure with improved cooling efficiency.
- Piston: High silicon content aluminum is used in the piston construction. It also has a compression ring that increases the engine’s efficiency.
- Crankshaft: Made of solid chrome molybdenum steel, and supported by two ball bearings.
- Combustion chamber: Increased combustion efficiency with improved hemispherical shape.
- Exhaust sound: Real-plane-like exciting exhaust sound.
- Weight: Lightest level in the class.
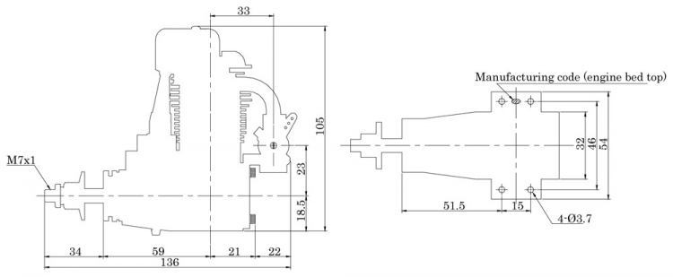
- Mounting dimensions: The same with those of FA-50 & 56.
- Application: 4-stroke .50 or 2-stroke .30-.40 class
- Displacement: 10.24 cc
- Stroke: 19.0 mm
- Bore: Ø26.2 mm
- Motor weight: 420 g (Approx. 470 g with muffler)
- Practical RPM Range: 2000-11.500
- Max RPM on the ground (stationary): 9500-10.500
- Propeller size: APC 12x6"-12x8" & 13x5"-13x6"
- Propeller Static thrust APC 12x6": 2.3 kg / APC 13x6": 2.5 kg
- Fuel: Good quality modelfuel with synthetic oil and 10-20% nitro content
- Fuel consumption: Aprox. 20 cc/min (At full throttle 10.200 rpm)






